
吉林量维节能技术有限责任公司
电话:0432-64632188
手机:18629910189
地址:吉林市昌邑区站前街重庆路121号3楼306号
Email:jltuneup@163.com
QQ:1736017173
一、 装置用途
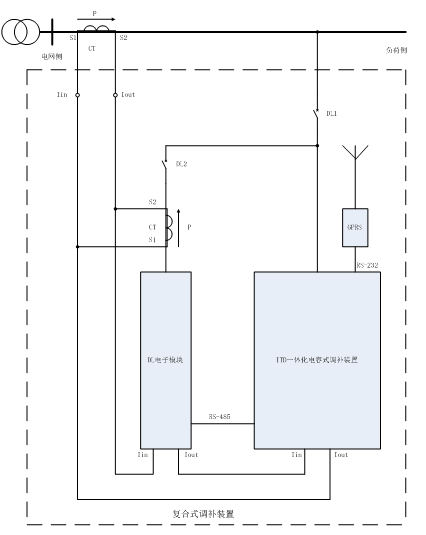
TP-TB-F型一体化调补装置由ITD型一体化自动调补电容补偿装置和DL型电子模块及户外配电箱组成,主要用于对户外配变台区低压侧的三相负荷有功功率进行平衡化调整和无功功率补偿及谐波滤除,可大幅减小零线电流,并使功率因数提高,实现稳定电压,提高供电质量,降低变损和线损,是一种功能极强的户外型电能质量优化装置。
二、 装置技术原理

复合式调补装置是我公司为满足配电网运行需求,自主研发的一种电能质量优化装置。它采用了DL型CSVG模块的ITD型电容式调补装置模块相融合的技术方式,充分发挥的两者的长处,实现了大容量动态优化电能质量功能。其原理是由电容式调补装置对变化负荷的基础量进行有级差跟踪调补,再由CSVG电子模块对剩余的变化量进行动态调补,同时滤除3、5、7、11、13次谐波,在装置调补能力范围内可稳定实现电源侧三相电流平衡,具有功耗低、噪音小、响应快、可靠性高、体积小的优点。
一、 产品执行标准
GB/T 15576-2008《低压无功功率补偿装置》
GB/T22582-2008 《电力电容器 低压功率因数补偿装置》
GB 7251.1-2005 《低压成套开关设备 第1部分》
DL/T 375-2010 《户外配电箱通用技术条件》
二、 产品技术参数
额定工作电压:380V±20%;
短耐电流:10KA
工作环境温度:-40~+55℃;
自身功耗:<30W
重 量:70KG
体 积:(L*W*H)58cm*63cm*67cm
补偿方式:电容相间和相零分相不等量混合调补及动态调补;
相间转移有功能力:装置角接电容器容量的10%+35A;
测量精度:电压/电流0.2%;有功/无功:0.5%;
动态响应时间:20MS;
保护方式:过流保护、短路保护、缺相保护、过压保护、欠压保护、掉电保护、温度保护;
|
ITD电容器调补装置典型配置及性能 |
|||||||||
|
型号容量 |
编组方式(Kvar) |
步距比 |
1.1Ue时相间有功电流转移能力(A) |
1.1Ue时总无功补偿能力(Kvar) |
|||||
|
Δ |
Δ |
Δ |
Y |
Y |
Y |
||||
|
ITD-60 |
30 |
15 |
|
10 |
5 |
|
1/12 |
9.8 |
52 |
|
ITD-84 |
24 |
12 |
6 |
24 |
12 |
6 |
1/14 |
7.8 |
72 |
|
ITD-102 |
24 |
24 |
12 |
24 |
12 |
6 |
1/17 |
13 |
88 |
|
ITD-120 |
24 |
24 |
12 |
24 |
24 |
12 |
1/10 |
13 |
103 |
|
ITD-140 |
32 |
32 |
16 |
24 |
24 |
12 |
1/12 |
17.2 |
120 |
|
ITD-150 |
30 |
30 |
30 |
24 |
24 |
12 |
1/12.5 |
20 |
130 |
五、装置的选用
根据电力相关规程要求,配电变压器出口处的负荷电流不平衡度应小于10%,其他地点不大于20%,中性线电流不应超过低压侧额定电流的25%。
电流不平衡度的一般计算方法:
在电力系统中,理论上应是三相电流的负序分量与正序分量的比值来表示电流不平衡度,由于上述计算比较麻烦,所以工程上常用下面计算方法来表示:
(最大相电流—最小相电流)/最大相电流。
对于400KVA变压器,额定电流576A。
当负荷无功功率为120KVAR左右时,可配装140KVAR+25KVAR的复合式调补装置,该容量调补有功电流的能力约为70A。根据上述公式,考虑到调补装置投入后调整能力,运行应满足条件“(最大相电流—最小相电流—可调整电流)/(最大相电流)<10%”。因此,当“最大相电流<(最小相电流+70A )/0.9”时,该装置可以将三相电流调整至10%范围内。
同理,当负荷无功功率为100KVAR左右时,可配装120KVAR+25KVAR的调补装置,该容量调补有功电流的能力约为60A。当“最大相电流<(最小相电流+60A) /0.9”时,该装置可以将三相电流调整至10%范围内。
同理,当负荷无功功率为80KVAR左右时,可配装102KVAR+120KVAR的调补装置,该容量调补有功电流的能力约为60A。当“最大相电流<(最小相电流+60A) /0.9”时,该装置可以将三相电流调整至10%范围内。
【关于三相电流不平衡的治理方法的建议】:
随着技术的发展,目前基于电力电子技术的SVG和基于电容器技术的调补装置,都可以实现对负荷的三相不平衡进行调整同时补偿无功。但装置的调整能力是按其容量配置而有其适用范围的。不管是SVG还是基于电容器技术的调补装置,当负荷三相不平衡度越大,其调平衡所需设备装置的容量也越大,而设备装置容量越大,体积也越大,成本也越高,且可靠性也变低。因此对于不平衡负荷的治理应管理手段和技术手段双管齐下,在管理上先将单相负荷在三相上尽量均衡分配接入,再采用技术手段利用设备装置对负荷动态的不平衡进行可控范围的调节和补偿,才是最经济有效的方案。
六、 装置内部示意图


图2 TB-F箱内部示意图
七、 安装接线
该装置可以安装在配变台区架上、背挂在杆子上,如图3。
图3
(一)保障安装过程安全的措施
现场安装人员应认真执行安装规程和现场安全措施,互相关心施工安全,并监督安全规程和现场安全措施的实施。
1、停电
检查断开后的高压侧跌落式或低压侧隔离开关是否在断开位置。
2、验电
验明线路确无电压,验电器要用合格的相应电压等级的专用验电器。验电时应戴绝缘手套,并有专人监护。
3、挂接地线
挂接地线时,应先接接地端后接导线端,接地线连接要可靠,不准缠绕。拆接地线时的程序与此相反。装、拆接地线时,工作人员应戴绝缘手套,人体不得碰触接地线。
4、上杆(台)前应检查
登杆工具如脚扣、安全带、梯子等是否完整牢固。现场工作人员必须戴安全帽、穿工作服及绝缘鞋,杆(台)上人员应防止掉东西,使用的工具、材料应用绳索传递,不得乱扔,杆(台)下应防止行人逗留。
(二)、柜体的安装位置
根据现场实际情况选择补偿柜的安装位置,利用自带抱箍将柜体安装固定在变压器台下的电杆上,并用相应的螺栓固定。
(三)、电源电缆及互感器接线方式的选定
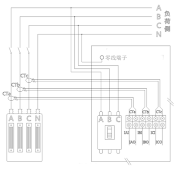
电源电缆接在柜内断路器(NF0)一次侧,一般从左至右为:A(黄)、B(绿)、C(红),零线(黑)接在柜内的零线端子上并紧固。三个互感器的接线按相序A、B、C分别接在互感器接线端子(DZ1)的IAI(s1)—IAO(s2)、IBI(s1)—IBO(s2)、ICI(s1)—ICO(s2) 。


安装步骤:
1、松开通讯模块固定螺丝两颗,取下模块后打开模块后盖装入SIM数据卡,再将模块重新固定好。
2、将设备吊装到台架安装高度。
3、将设备用抱箍固定到水泥杆上。
4、将电缆连接在补偿点与装置进线开关上。注意,电缆接头须用端子压接!
5、将零线与装置的零线端子固定连接好,确保箱体外壳接地;
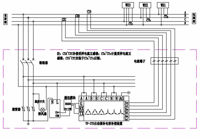
6、将三只电流互感器穿接在补偿点前(电源侧),CT的安装方向(箭头→)由电源侧指向负荷侧P1进P2出;
注意:线路上使用的采样CT的变比一定要与装置内部使用的一样!
7、用截面不小于1.5mm2的6芯电缆分别将三个CT的二次输出端子S1和S2与装置内的电流信号端子连接;
8、将接地保护线与装置的外壳连接固定牢靠。
9、将通信模块的天线从电缆进线口中穿出,再将天线吸附在箱外的铁横担上。
注意:一定要正相序安装!

图5 现场安装图
八、 使用步骤
安装完毕后,检查所有接线正确无误后可以上电运行。
设备在出厂时,一般都配有CT。装置的出厂设置中CT的变比、电压的保护值等参数都已设置好,不必再设置。若用户自行购置CT,则需重新设置CT的变比。
1、 先给变压器送电。
2、 用万用表测量装置进线开关的上口各相间和相零间的电压是否正常。检察相序是否正确,一定要正相序!(如果相序错误装置将不工作)
3、 合上进线开关,装置授电后延迟约30秒后便进入自动运行状态。此时装置前门上的运行指示灯闪亮,表示装置已进入自动运行状态,且运行正常。
当需要重新进入参数设置时,应在授电后30秒内操作装置触屏,进入设置界面进行相应操作,具体见装置使用说明。
九、 注意事项
该装置可以安装在表前或表后。由于该装置具有调整三相间有功功率的功能,使电源三相输出的有功功率重新分配(三相总功率不变),当使用分相计量表时,调补点装在表后时会影响各个表的计量值。调补点装在表前则对计量无影响。
维护变压器断电前须先断开次设备,送电时先给变压器送电后给此设备送电!
图6 表前安装示意图
图7 表后安装示意图
[附2]装置的故障及检修处理方法
如果装置投运后指示灯不亮或常亮不闪,则可能是装置故障或失电跳闸,需检修处理。
1、 正常情况下,装置进线开关和ITD开关在1.5倍的额定电流内运行是不会跳闸的。装置电容器组的谐波保护设置的是谐波电压保护,并有延时动作。但如果由于负荷中有瞬间很大的谐波电流时,可能会导致电容器电流过大而使开关跳闸,这种情况不会导致电容器的损坏,一般情况下再送电即可重新运行。
2、 如果装置遭受到雷击等过电压情况损坏,则装置必须拆下,更换新的电容器组或其他损坏部件。如果只是更换电容器组装置,则只需拉下进线开关,将电容器组进线端子拆下,信号线端子拔下,把电容器组拉出来,重新换一台即可。注意:新换电容器组的变比设定须与使用的互感器一致。